PRZYDOMOWA OCZYSZCZALNIA ŚCIEKÓW KINGSPAN BIOAIR 2 NA 6 OS. STUDNIA CHŁONNA
Kingspan BioAir 2 to efektywna oczyszczalnia biologiczna dla 4 osób, wyposażona w cichą maszynownię, dmuchawę SECOH i studnię chłonną. Zestaw zapewnia szybki montaż, wysoką skuteczność oczyszczania oraz niezawodną eksploatację na działkach bez możliwości odprowadzenia ścieku do odbiornika.
| Wydajność | 0,9 m3/d |
| Wysokość | 2104 mm |
| Szerokość | 1540 mm |
| Długość | 2500 mm |
| Pojemność | 3000 L |
| Ilość | 100 |
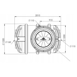
![]() | Kingspan BioAir 2 jest przeznaczony dla obiektów mieszkalnych, zamieszkałych przez maksymalnie 4 osoby. Oczyszczalnia została zaprojektowana z myślą o efektywnym oczyszczaniu ścieków surowych do wyjątkowo wysokiego standardu jakościowego. Osiąga ona redukcję BZT5 na poziomie aż 97,5%. Konstrukcja BioAir® od Kingspan Klargester jest niezawodna, co jest w dużej mierze wynikiem jej prostoty. Zdecydowano się tutaj na pominięcie elementów takich jak timer czy elektrozawór, które mogą stanowić potencjalne źródła awarii. Brak tych komponentów sprawia, że obsługa i konserwacja oczyszczalni są znacznie prostsze i mniej kosztowne. Jest to urządzenie elastyczne, umożliwiające montaż nawet na głębokości 150 cm od poziomu rury dolotowej. ⚠️ Oczyszczalnia zgodna z normą: EN:12566-3: 2005+A2:2013. |
![]() | Maszynownia jest wkomponowana w zbiornik i uzbrojona dzięki czemu oczyszczalnia jest gotowa do pracy zaraz po podłączeniu! Rozwiązanie to daje ciszę wokół oczyszczalni. Nie wymaga dodatkowych skrzynek przy oczyszczalni. |
![]() | Oczyszczalnia cechuje się estetycznym wykonaniem, z pojedynczym, zamykanym na klucz włazem klasy A15. Umiejscowienie pompy powietrza pod deklem oczyszczalni, powoduje brak konieczności montażu zewnętrznych skrzynek i tym samym zwiększa estetykę po instalacji. Właz do oczyszczalni ma szerokość aż 60cm, co umożliwia bezproblemowy dostęp w przypadku czynności serwisowych - możliwość zdjęcia i wyczyszczenia lub wymiany dyfuzorów, bez opróżniania oczyszczalni. |
![]() |
|
| W zestawie została zastosowana profesjonalna dmuchawa dmuchawa membranowa SECOH JDK-S-60. Ta pompa powietrza cieszy się dużym zainteresowaniem, a jej renomę zapewnia niewielka liczba awarii oraz imponująca wydajność. ▶️ SPECYFIKACJA |
![]() | Studnia chłonna znajduje zastosowanie przy oczyszczalniach biologicznych. Służy do rozprowadzenia ścieku na poletku z kruszywa zwanym studnią chłonną w przypadku, kiedy nie ma możliwości odprowadzenia ścieku do rowu melioracyjnego, cieku wodnego lub kanalizacji deszczowej.
Są to najprostsze urządzenia służące do odprowadzania wstępnie oczyszczonych ścieków do gruntu z oczyszczalni. Studnia chłonna posiada przepuszczalne otwory w dolnej części oraz nie ma dna dzięki czemu ścieki infiltrują do gruntu przez dno i ściany boczne oraz warstwy żwiru odpowiedniej granulacji. Kryteria lokalizacyjne dla studni chłonnych są analogiczne jak dla konwencjonalnych systemów drenażowych. Najważniejsze jest utrzymanie właściwej odległości pomiędzy dnem studni a poziomem wód gruntowych, która powinna wynosić min. 1,5m. |
![]() | ▶️ DANE TECHNICZNE
|
![]() | ▶️ W ZESTAWIE |
![]() | |


















Opinie O PRODUKCIE